- Производитель:
- Модель:DC
- Артикул:47795
- 102
- Количество циклов:000, 500
- Материал:
- Посадочные размеры:
- Производитель:FUARO
- Регулируемое усилие:Да
- Ресурс работы:Более 500 000 циклов
- Серия:
- Способ установки:На дверь, на коробку, параллельно с монтажной пластиной
- Температурный режим:От -45 до +60 °С
- Тип тяги:
- Тип упаковки:Коробка
- Толщина двери:Для любой толщины двери
- Фиксация в открытом положении :Да
- Функция дохлопа:Да
- Цвет:
- Показать все характеристики
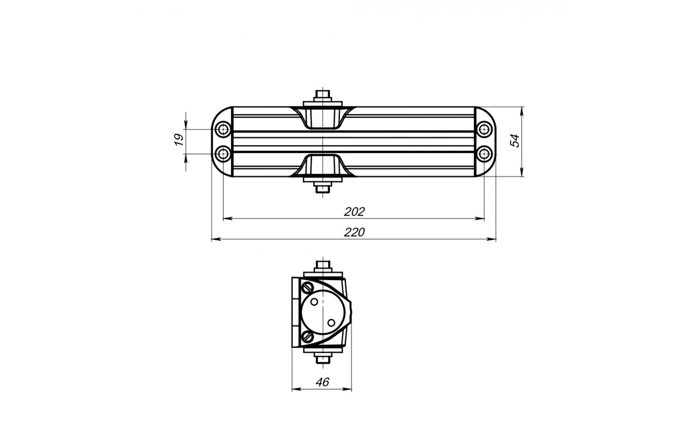
Доводчик Fuaro (Фуаро) дверной DC20-4/TS-68 ФОП AL до 85 кг (алюминий)
Дверной доводчик DC20-4/TS-68 ФОП (с фиксацией открытого положения) предназначен для установки на двери со средней и высокой проходимостью. Фиксация открытого положения срабатывает при открывании двери на 80- 105 градусов (в зависимости от размера двери), внутренняя пружина отключается, доводчик фиксирует дверь и не закрывает её. Чтобы дверь закрылась, необходимо потянуть доводчик на этот же угол в сторону закрывания, и доводчик закроет дверь. Доводчики с фиксацией открытого положения : •Обязательны в больницах и других медучреждениях •Незаменимы при перемещении грузов через двери •Удобны при массовом прохождении людей в определенный временной отрезок Подходит для установки на двери левого и правого открывания. Варианты установки: на дверное полотно, на дверную коробку, параллельный рычаг (дополнительно требуется монтажная пластина). Доводчик DC20-4/TS-68 ФОП подходит для массы двери 20-85 кг. Посадочные размеры : 202х19. Работоспособность более 500 000 циклов. Режим эксплуатации от -45 до +60 градусов. Угол открывания до 180 градусов в соответствие с чертежом. Устойчивость к коррозии в соляном тумане более 250 часов. Две скорости регулировки доводчика: скорость окончательного захлопа и скорость закрывания. В комплектацию входят: корпус, рычаг, декоративная крышка, комплект крепежа, подробная инструкция по установке. Цвет: алюминий. Гарантия : 5 лет.
Внимание! Не использовать для чистки изделия растворители, чистящие абразивные, кислотные и щелочные моющие средства, а также спиртосодержащие вещества – это может повредить поверхность изделия! Уход за изделием заключается в протирании его мягкой полувлажной тканью.
Изображения и цвета могут отличаться от реальных, в зависимости от цветопередачи и разрешения монитора. Изделие не подлежит обязательной сертификации. Производитель оставляет за собой право без предварительного уведомления покупателя вносить изменения в конструкцию, комплектацию или технологию изготовления. Если у Вас останутся вопросы обратитесь к продавцу для получения разъяснений.
Наши менеджеры всегда готовы ответить на Ваши вопросы.
Получить консультацию можно по телефону: 8(981)109-8989.
Условия Доставки
-
Минимальная сумма заказа 7000 рублей.
-
Перед доставкой товар должен быть оплачен 100 %
Самовываз
Заказ можно забрать с нашей торговой точки. (по предварительной договорённости с менеджером)
Адреса торговых точек можно посмостеть в контактах.
Доставка курьером по Москве
Заказ доставляется в течение 1-5 рабочих дней (при наличие на складе).
Проверка товара производится в присутствии курьера, в срок не более 15 минут.
Стоимость доставки фурнитуры:
Доставка в пределах МКАД 600-1000 руб. Доставка оплачивается наличными при получении заказа.
Стоимость доставки указана до двери. ( за исключением габаритных товаров, с длинной более 1 метра )
Доставка по России
Доставка осуществляется с помощью транспортных компаний СДЭК и ПЭК
Так же мы сотрудничаем с такими компаниями как: Деловые Линии, ПЭК, ЖелДор Экспедиция, DPD, "Энергия", "МТК" и другие. посредствам самовывоза с нашего склада.
Сроки доставки:
- Зависят от выбранной транспортной компании и Вашего местоположения.
- Доставка до терминала любой транспортной компании в г. Москва производится за 1-4 дня после оплаты заказа.
Стоимость доставки:
Доставка до терминала "СДЭК RUM1" ТК СДЭК транспортной компании в г. Москва бесплатная.
- Стоимость перевозки по России Вы оплачиваете вместе с заказом сразу или самостоятельно при получении заказа в филиале транспортной Компании своего города.
- Для Вашего удобства можно заказать доставку прямо до дома транспортной компанией.
- При доставке через транспортные компании необходима 100% предоплата за заказ.
* - Стоимость рассчитывается индивидуально и зависит от общего веса, объема перевозимого груза, а также выбранной транспортной компании, и может включать в себя страховку и обрешетку.
Порядок оплаты
Для физических лиц.
Расчет за товар выполняется в российских рублях. Мы предлагаем несколько способов оплаты:
- Наличными на торговой точке.
- Перевод на банковскую карту.
- Банковской картой через терминал торгового эквайринга на торговой точке.
- Переводом на наш счет.
Для юридических лиц.
Безналичный расчет при сотрудничестве с юридическими лицами-компаниями.
Счет на оплату выставляется юридическим лицам и индивидуальным предпринимателям на основании заявки, которую вы можете отправить на электронную почту info@hard-doors.ru .
Счет выставляется БЕЗ НДС. Отгрузка осуществляется при 100% оплате.
| Количество циклов | 000, 500 |
| Материал | Алюминий |
| Посадочные размеры | 202х19 мм |
| Производитель | FUARO |
| Регулируемое усилие | Да |
| Ресурс работы | Более 500 000 циклов |
| Серия | DC |
| Способ установки | На дверь, на коробку, параллельно с монтажной пластиной |
| Температурный режим | От -45 до +60 °С |
| Тип тяги | С рычажной тягой |
| Тип упаковки | Коробка |
| Толщина двери | Для любой толщины двери |
| Фиксация в открытом положении | Да |
| Функция дохлопа | Да |
| Цвет | Алюминий |
Теги: FUARO, 47795, DC, 6941899121268, Дверные гидравлические доводчики/с рычажной тягой


























































































































































































































































































