- Производитель:
- Модель:164 OBS S
- Артикул:20755
- 101
- Защита от бампинга:
- Защита от вырывания:Нет
- Защита от высверливания:Да
- Защита от излома:Нет
- Изготовление дубликатов только по карте владельца:Нет
- Класс безопасности:4
- Ключ с пластиковой головкой:Нет
- Количество ключей:
- Количество комбинаций:
- Количество пинов:
- Комплектация вертушкой:Нет
- Материал:
- Материал вертушки:
- Материал ключа:
- Материал цилиндра:
- Перекодировка:
- Производитель:KALE KILIT
- Размер:
- Способ установки:Для ручной установки
- Страна производитель:
- Тип ключа:
- Тип упаковки:Блистер
- Тип цилиндра:
- Толщина двери:90 мм
- Цвет:
- Гарантия:
- Показать все характеристики
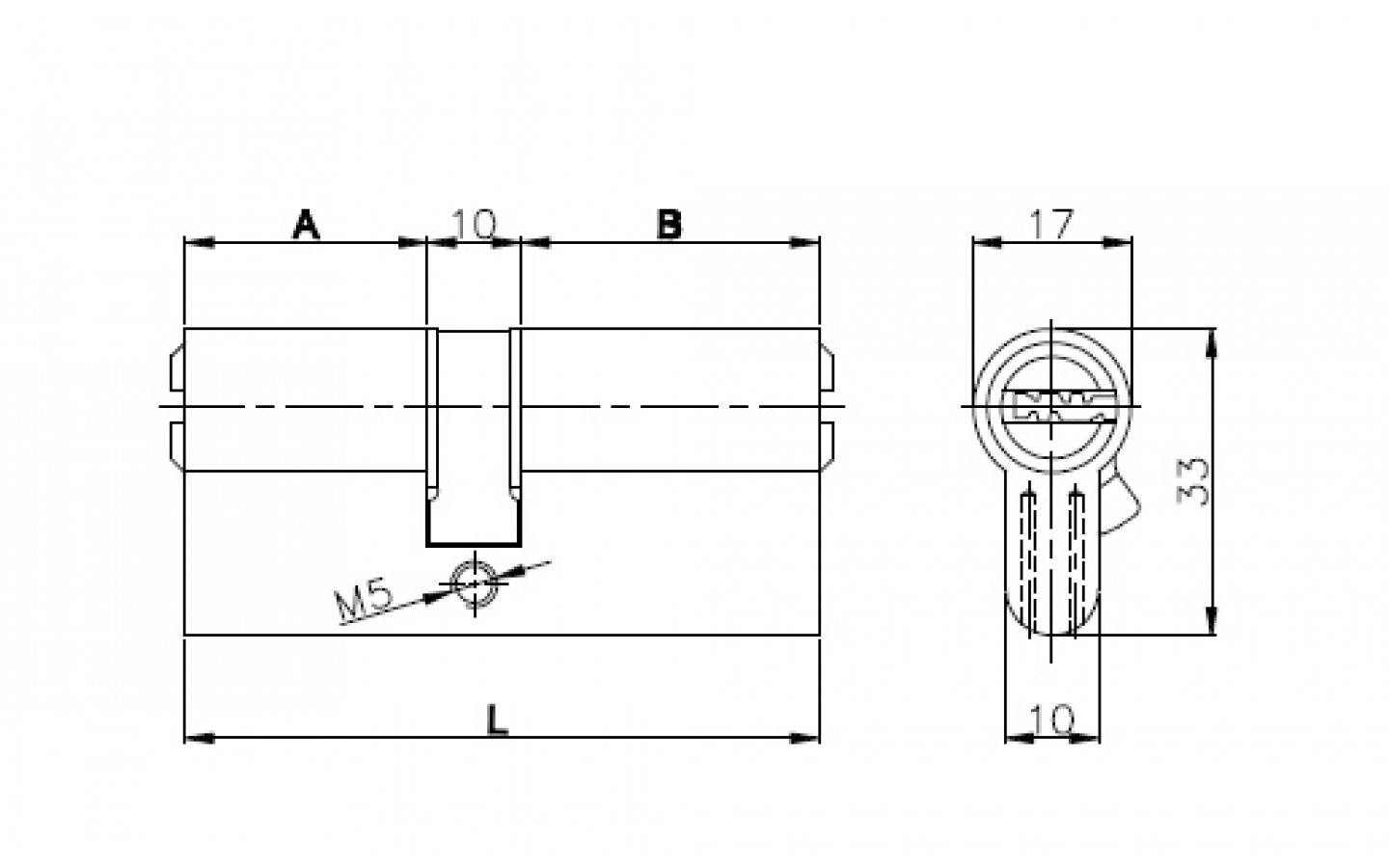
Цилиндровый Kale kilit (Кале килит) механизм 164 OBS SNE/90 (35+10+45) mm никель 5 кл.
Цилиндровый механизм серии 164 OBS SNE имеет 4 класс безопасности. Применение в цилиндрах уникальной системы автоматической блокировки позволяет противостоять взлому максимальное время. 6 латунных комбинативных пинов обеспечивают 91 000 комбинаций. Комплексная система защиты от высверливания, подбора и вскрытия бампингом. Секретные пины грибовидной формы позволяют противостоять открытию методом подбора секретного кода. Защитные стержни выполнены из высокопрочной стали, защищающей механизм от разрушения методом высверливания. Блокировочные пины OBS S блокируют ротор цилиндрового механизма при попытке открыть его инородным предметом, отмычкой или методом "бампинга". Тип ключа: перфорированный. Исполнение: ключ-ключ. Комплектация: 5 латунных ключей, крепежная фурнитура. Размер: 90 (35+10+45) мм. Цвет: никель.
Изделие не подлежит обязательной сертификации. Предназначено для установки на межкомнатные двери.
Внимание! Не использовать для чистки изделия растворители, чистящие абразивные, кислотные и щелочные моющие средства, а также спиртосодержащие вещества – это может повредить поверхность изделия! Уход за изделием заключается в протирании его мягкой полувлажной тканью.
Наши менеджеры всегда готовы ответить на Ваши вопросы.
Получить консультацию можно по телефону: +7(919)107-89-89
Условия Доставки
-
Минимальная сумма заказа 7000 рублей.
-
Перед доставкой товар должен быть оплачен 100 %
Самовываз
Заказ можно забрать с нашей торговой точки. (по предварительной договорённости с менеджером)
Адреса торговых точек можно посмостеть в контактах.
Доставка курьером по Москве
Заказ доставляется в течение 1-5 рабочих дней (при наличие на складе).
Проверка товара производится в присутствии курьера, в срок не более 15 минут.
Стоимость доставки фурнитуры:
Доставка в пределах МКАД 600-1000 руб. Доставка оплачивается наличными при получении заказа.
Стоимость доставки указана до двери. ( за исключением габаритных товаров, с длинной более 1 метра )
Доставка по России
Доставка осуществляется с помощью транспортных компаний СДЭК и ПЭК
Так же мы сотрудничаем с такими компаниями как: Деловые Линии, ПЭК, ЖелДор Экспедиция, DPD, "Энергия", "МТК" и другие. посредствам самовывоза с нашего склада.
Сроки доставки:
- Зависят от выбранной транспортной компании и Вашего местоположения.
- Доставка до терминала любой транспортной компании в г. Москва производится за 1-4 дня после оплаты заказа.
Стоимость доставки:
Доставка до терминала "СДЭК RUM1" ТК СДЭК транспортной компании в г. Москва бесплатная.
- Стоимость перевозки по России Вы оплачиваете вместе с заказом сразу или самостоятельно при получении заказа в филиале транспортной Компании своего города.
- Для Вашего удобства можно заказать доставку прямо до дома транспортной компанией.
- При доставке через транспортные компании необходима 100% предоплата за заказ.
* - Стоимость рассчитывается индивидуально и зависит от общего веса, объема перевозимого груза, а также выбранной транспортной компании, и может включать в себя страховку и обрешетку.
Порядок оплаты
Для физических лиц.
Расчет за товар выполняется в российских рублях. Мы предлагаем несколько способов оплаты:
- Наличными на торговой точке.
- Перевод на банковскую карту.
- Банковской картой через терминал торгового эквайринга на торговой точке.
- Переводом на наш счет.
Для юридических лиц.
Безналичный расчет при сотрудничестве с юридическими лицами-компаниями.
Счет на оплату выставляется юридическим лицам и индивидуальным предпринимателям на основании заявки, которую вы можете отправить на электронную почту info@hard-doors.ru .
Счет выставляется БЕЗ НДС. Отгрузка осуществляется при 100% оплате.
| Защита от бампинга | Есть |
| Защита от вырывания | Нет |
| Защита от высверливания | Да |
| Защита от излома | Нет |
| Изготовление дубликатов только по карте владельца | Нет |
| Класс безопасности | 4 |
| Ключ с пластиковой головкой | Нет |
| Количество ключей | 5 |
| Количество комбинаций | 91000 |
| Количество пинов | 6 |
| Комплектация вертушкой | Нет |
| Материал | Латунь |
| Материал вертушки | - |
| Материал ключа | Латунь |
| Материал цилиндра | Латунь |
| Перекодировка | Нет |
| Производитель | KALE KILIT |
| Размер | 90 мм (35x10x45) |
| Способ установки | Для ручной установки |
| Страна производитель | Турция |
| Тип ключа | Перфорированный |
| Тип упаковки | Блистер |
| Тип цилиндра | Ключ-ключ |
| Толщина двери | 90 мм |
| Цвет | Никель |
| Гарантия | 5 лет |
Теги: KALE KILIT, Турция, никель
































































































































































































































































































